模鍛滑架、吊具、推桿外鏈板和模鍛可拆鏈組合使用,根據不同的使用要求和功能選擇不同的附件配合使用。
模鍛滑架、吊具、推桿外鏈板適用領域:懸掛輸送機。
滑架,驅動鏈實物圖

1. 模鍛滑架:
滑架的作用是承受物件,吊具及鏈條的重量,仔垂直彎曲段還要承受鏈條張緊的合力,并能保證鏈條按軸道的線路運行。在線路中兩個負載滑架之間距離超過800-900mm時,可在中間增加一個空載滑架。滑架系列主要包括X348型, X458型, X678型, CC100型, X160型 。
![]() | ![]() |
| Forged hanger bracket model | Dimensions | Weight (kg/set) | |||||||
| A(mm) | B(mm) | C(mm) | D(mm) | E(mm) | F(mm) | G(mm) | |||
| 64 | 60 | 100 | 100 | 25.5 | 22.5 | 16 | 1.35 | ||
| 82 | 80 | 136 | 128.6 | 33.5 | 20.5 | 20 | 2.7 | ||
| 89 | 82 | 144 | 136 | 31 | 23 | 16 | 3.45 | ||
| 82 | 82 | 136 | 128.6 | 25.5 | 22.5 | 18 | 2.7 | ||
| 101.6 | 120 | 170 | 170 | 42 | 28 | 20 | 7.5 | ||
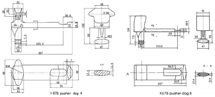
2. 吊具,推桿外鏈片


| Model | A (mm) | B (mm) | C (mm) | D (mm) | E (mm) | F (mm) | G (mm) | H (mm) | I (mm) | J (mm) | K (mm) | L (mm) | N (mm) | P (mm) | Wt (kg) |
| 146 | 48 | 38.1 | 26 | 62 | 40 | 6 | 12 | 15 | 6.4 | 32 | M12 | 4 | 9 | 0.22 | |
| 178 | 54 | 50 | 33.5 | 71.5 | 52 | 6 | 16 | 32 | 9.5 | 35 | M16 | 4 | 10.5 | 0.45 | |
| 222 | 70 | 76 | 41.5 | 79 | 67 | 9.5 | 22 | 41.2 | 12.7 | 51 | M22 | 5.5 | 10.5 | 1.27 |
Related Names
Forged Chain Assembly | Metal Lifting Components | Detachable Chain Parts


